NEWS
新闻资讯2022-08-26 10:16:31来源:
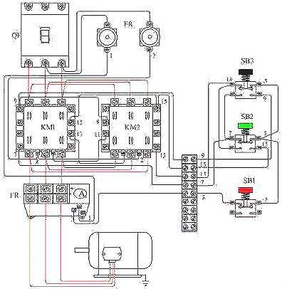
为了使电动机能够正转和反转,可采用两只接触器KM1、KM2换接电动机三相电源的相序,但两个接触器不能吸合,如果同时吸合将造成电源的短路事故。
为了防止这种事故,在电路中应采取可靠的互锁,下图为采用按钮和接触器双重互锁的电动机正、反两方向运行的控制电路。
三相异步电动机接线图-正反转接线实图:

欢迎进入万彩网电机要实现正反转控制,将其电源的相序中任意两相对调即可(我们称为换相),通常是V相不变,将U相与W相对调节器,为了保证两个接触器动作时能够可靠调换电动机的相序,接线时应使接触器的上口接线保持一致,在接触器的下口调相。由于将两相相序对调,故须确保二个KM线圈不能同时得电,否则会发生严重的相间短路故障,因此必须采取联锁。
为安全起见,常采用按钮联锁(机械)与接触器联锁(电气)的双重联锁正反转控制线路(如下图所示);使用了按钮联锁,即使同时按下正反转按钮,调相用的两接触器也不可能同时得电,机械上避免了相间短路。另外,由于应用的接触器联锁,所以只要其中一个接触器得电,其长闭触点就不会闭合,这样在机械、电气双重联锁的应用下,电机的供电系统不可能相间短路,有效地保护了电机,同时也避免在调相时相间短路造成事故,烧坏接触器。

欢迎进入万彩网图中主回路采用两个接触器,即正转接触器KM1和反转接触器KM2。当接触器KM1的三对主触头接通时,三相电源的相序按U―V―W接入电动机。当接触器KM1的三对主触头断开,接触器KM2的三对主触头接通时,三相电源的相序按W―V―U接入电动机,电动机就向相反方向转动。电路要求接触器KM1和接触器KM2不能同时接通电源,否则它们的主触头将同时闭合,造成U、W两相电源短路。为此在KM1和KM2线圈各自支路中相互串联对方的一对辅助常闭触头,以保证接触器KM1和KM2不会同时接通电源,KM1和KM2的这两对辅助常闭触头在线路中所起的作用称为联锁或互锁作用,这两正向启动过程对辅助常闭触头就叫联锁或互锁触头。
一些较为常见的功能:
在选择断路器时,我们不仅要关注断路器的延迟曲线等主要指标,还应重视它的很多次要功能,这些常容易被忽略的性能不仅能为一个良好的设计锦上添花,而且还能帮助工程师们为其应用设计精密的保护电路。
目前市面上有许多配备了各种可选功能的断路器,这些功能对于电路保护设计很有帮助。
1、辅助接点(辅助开关):它们是与主接点电隔离的接点,适用于报警和程序开关。辅助接点可用于向操作人员或控制系统告警,发出警报,或在重要应用中接通备用电源。
2、传动:传动器类型的选择不仅是出于美观的考虑。具有开关速度是通/断开关两倍的传动摇杆开关的断路器能够节约成本和电路板空间。推挽式传动器在遇到突发事件时最为稳定。
3、分流端子:欢迎进入万彩网传统断路器被认为是“串联跳闸”的,这是因为接点、电流感应元件和负载都是串联的。分流端子从主电路分出支路,这样可将次级负载接入。如果初级负载发生了短路或过载,断路器将跳闸并切断两个负载的电源。
与辅助接点不同,分流端子是接到位于开关接点和电流感应元件之间的断路器载流通路的,这意味着第二个负载不受过载或短路保护。可以采用一个独立的断路器来保护次级电路,否则该电路只可用于具有内置保护电路的设备。
4、复式控制(遥控跳闸或继电器跳闸):欢迎进入万彩网复式控制断路器将两个彼此电隔离的感应元件组合起来以实现多项功能。例如,复式控制断路器可利用遥控传动器或感应器来进行传统的过流保护以及电路断接。遥控跳闸是复式控制的一个例子,通常被称为“继电器跳闸”。
5、低压跳闸:这是断路器中一个独立的电压敏感元件,如果电压降到预定值以下,它将使主接点开路。具有低电压跳闸的开关断路器被广泛用于有线连接电器的通/断控制。安全管理部门要求这些电器在发生掉电时必须切断电源,以避免电源恢复时电器突然重新启动的危险。
6、自动跳闸:欢迎进入万彩网一个自动跳闸的断路器在故障期间不会一直保持闭合—因为开关装置不会因强行保持传动器接通而失效。在一个完全自动跳闸的设计中,当传动器被保持在“接通”位置时,主接点在发生故障之后将始终保持开路。一些被称为“循环自动跳闸”的断路器在故障期间不能强行保持接通状态,但如果传动器一直处在“接通”的位置,则它们将周期性地接通和断开。如果断路器安装在容易够得着的地方(即未封闭),则应采用自动跳闸断路器。
7、自动复位:对于断路器不易够着的应用来说,在冷却期后自动复位的断路器是一个良好的选择。此时若指定使用可自动再起动的设备,则发生危险的可能性很大。